AG真人官方下载

欢迎您访问洛阳AG真人轴承科技有限公司网站!
全国咨询热线: 18837917076 网站地图

产品展示

等截面薄壁轴承

公制等截面薄壁深沟球轴承

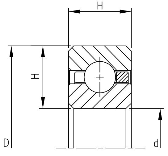
公制等截面薄壁深沟球轴承,C型深沟球轴承是内外圈带有超深沟(滚道沟槽深度=球直径的25%)的单列深沟球轴承。
品牌: 滚道形状:
在线咨询 18837917076
产品详情

公制等截面薄壁深沟球轴承
      C型深沟球轴承是内外圈带有超深沟(滚道沟槽深度=球直径的25%)的单列深沟球轴承。

公制深沟球轴承.png

1.png

2.png

【网站地图】【sitemap】